
Descrizione:
Centrale termica a biomassa – ATC complesso di n°6 palazzine
Interventi in progetto
Centrale termica
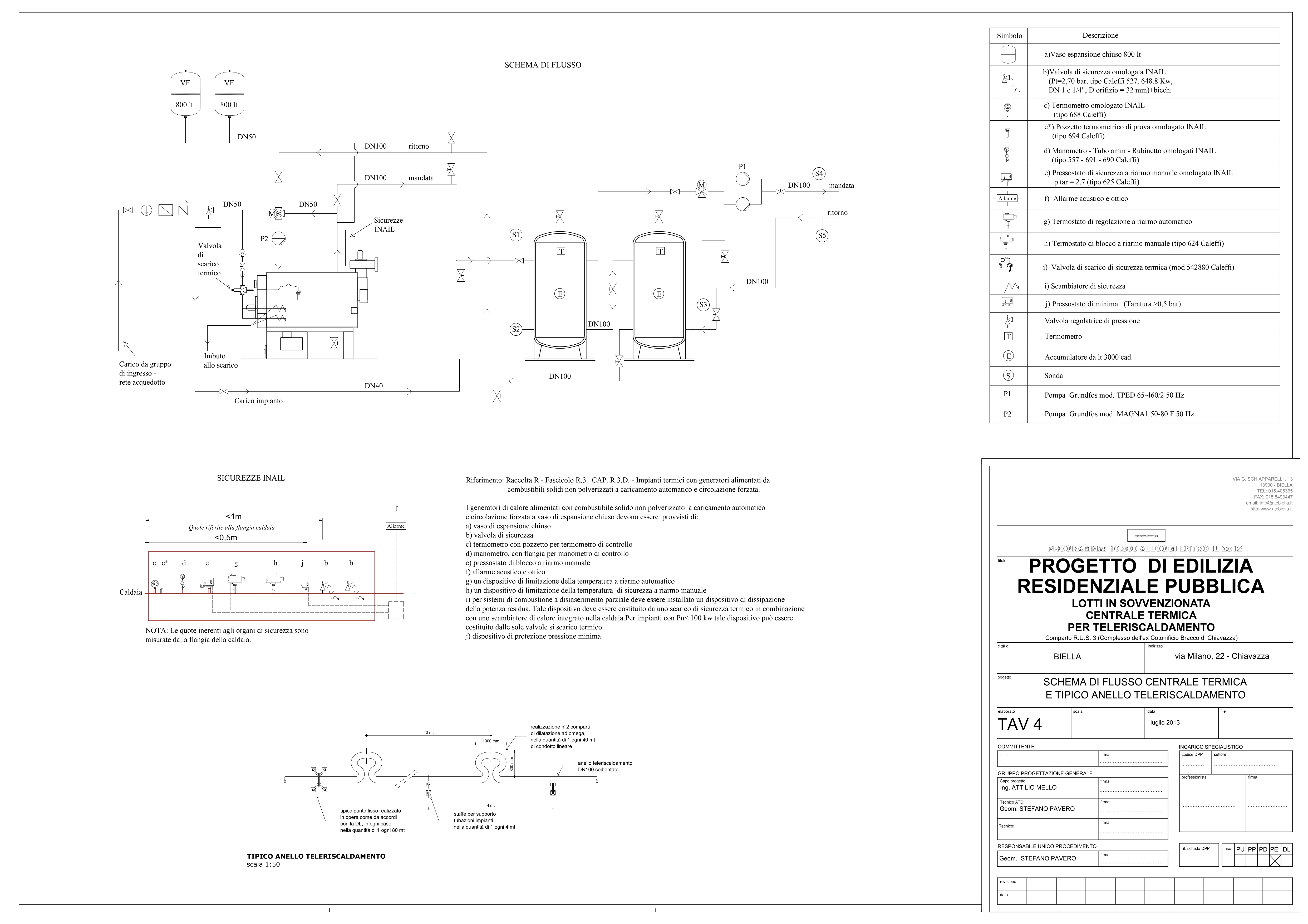
La centrale termica (CT) è dedicata alla produzione di calore da biomassa per gli usi di riscaldamento e produzione di acqua calda sanitaria (ACS) delle 6 palazzine asservite. E’ composta dal generatore termico alimentato a cippato, sistema di filtraggio fumi a maniche, serbatoio del cippato con doppio sistema di estrazione combustibile, sistema di pulizia pneumatico, sistema di estrazione ceneri, sistema di scarico fumi (canna fumaria) fino alla ciminiere esistente, pompe di circolazione ed accumuli termici, impianto elettrico in asservimento.
Il sistema di estrazione combustile è garantito da due sistemi indipendenti e sinergici: uno è dedicato al trasporto (coclea), l’altro alla movimentazione dei leveraggi all’interno del deposito, il tutto gestito dall’elettronica di regolazione e controllo già inserita nel SW di programmazione. La canna fumaria, del tipo a doppia parete, deve essere dotata di portello di ispezione e raccolta, e comunque realizzata in modo tale che la sua pulizia sia comunque sempre facilmente eseguibile compatibilmente con il suo sviluppo. I collegamenti idraulici sono concettualmente semplici, classici, e non presentano particolari difficoltà Tutti i condotti in CT devono essere coibentati con lana di vetro avente spessore pari a 100 mm per il DN100, e 80 mm per i diametri minori, con rivestimento in lamierino di alluminio calandrato. E’ presente altresì un sistema integrato antincendio, composto da rilevatori di fumo e calore, e temperatura, oltre alla protezione passiva garantita da n°3 idranti a muro UNI45 e n°2 estintori con potere estinguente non inferiore a 34A 144 B C.
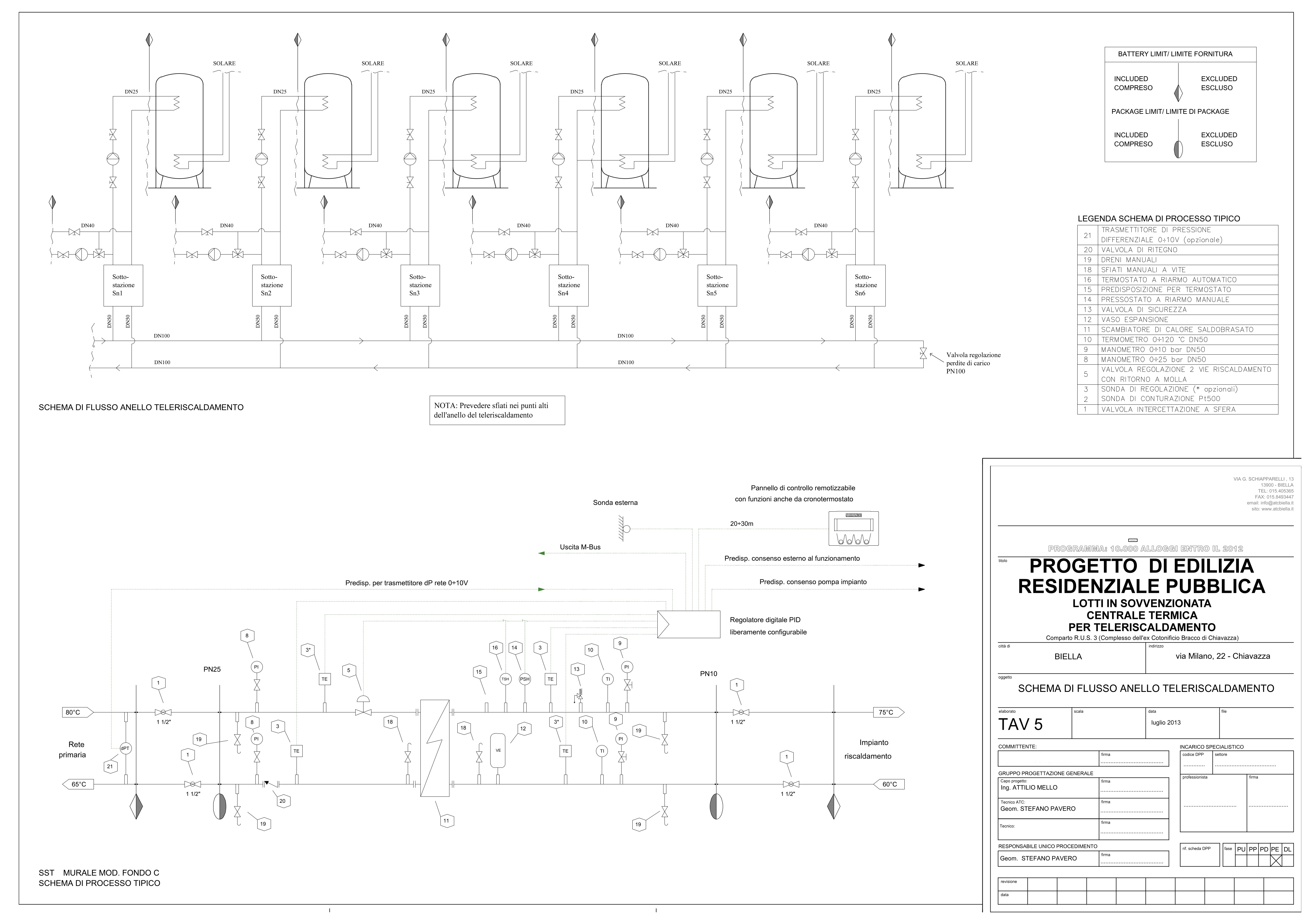
Impianto di distribuzione calore – rete teleriscaldamento
Il calore viene inviato alle palazzine con una rete di teleriscaldamento DN100 posata a vista nei cunicoli con staffaggio in acciaio dolce verniciato (protetto contro la ruggine). Il tubo presenta le seguenti caratteristiche:
– Tubo di acciaio nero saldato o senza saldatura, grado P235 GH;
– Isolamento con schiuma rigida di poliuretano, a norma EN 253, conducibilità termica < 0,03 W/mK a 50°C;
– Tubo guaina in Polietilene alta densità, a norma EN 253.
Sottostazioni di utenza termica
Dalla rete di teleriscaldamento si staccano i raccordi verso le SST, con percorso staffato a vista nel piano cantinato di ogni palazzina. La sottostazione deve essere alloggiata nel vano tecnico, dedicato, ove trova spazio anche l’accumulatore – bollitore per la produzione di ACS con integrazione solare che non è oggetto del presente lavoro, ma rappresenta il limite di batteria.
Cliente:
ATC Piemonte Nord – n°6 palazzine
Importo dei lavori:
460.194,75€
Categoria del lavoro
Civile, Pubblico, Qualificazione Energetica
Alcuni elaborati di progetto



